Adresse
| État de disponibilité: | |
|---|---|
| Quantité: | |
DIN916 DIN913
YPH
DESCRIPTION:
Les vis sans tête à douille de YPH Fasteners sont utilisées dans les applications qui nécessitent une forte puissance de maintien par compression. Ils sont utilisés dans la construction de colliers de puits, de portes de sortie, de boutons et de barres de sécurité. Ils doivent être suffisamment serrés pour maintenir la position comprimée sans se casser à cause du couple appliqué. La puissance de maintien axial de la vis peut être augmentée en la serrant davantage. Il existe plusieurs styles dans lesquels ces vis peuvent être utilisées.
Selon les besoins d'usinage, ils sont utilisés dans l'assemblage d'ensembles de pièces permanentes et semi-permanentes. Ces vis bénéficient de la capacité de serrage et de maintien de la pointe en forme de cône spécialement conçue qui lui permet de pénétrer profondément dans la pièce. S'ils sont utilisés dans une conception à pointe plate, ils peuvent supporter l'usure sans compromettre son intégrité structurelle. Pour éliminer les dommages structurels tout en permettant des changements fréquents, vous pouvez utiliser ces vis dans un style ovale. Il est disponible en acier inoxydable, en acier au carbone et en acier allié pour supporter plus d'usure tout en le rendant plus résistant à la corrosion.
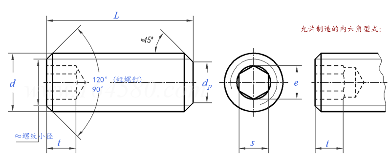
Démention :
Taille:
DIN913 : M2-M24 (TÊTE PLATE)
DIN916 : M2-M24 (TÊTE DE POINTE DE COUPE)
DIN915 : M2-M24 (TÊTE DE CHIEN)
DIN914 : M2-M24 (TÊTE CÔNE)
DESCRIPTION:
Les vis sans tête à douille de YPH Fasteners sont utilisées dans les applications qui nécessitent une forte puissance de maintien par compression. Ils sont utilisés dans la construction de colliers de puits, de portes de sortie, de boutons et de barres de sécurité. Ils doivent être suffisamment serrés pour maintenir la position comprimée sans se casser à cause du couple appliqué. La puissance de maintien axial de la vis peut être augmentée en la serrant davantage. Il existe plusieurs styles dans lesquels ces vis peuvent être utilisées.
Selon les besoins d'usinage, ils sont utilisés dans l'assemblage d'ensembles de pièces permanentes et semi-permanentes. Ces vis bénéficient de la capacité de serrage et de maintien de la pointe en forme de cône spécialement conçue qui lui permet de pénétrer profondément dans la pièce. S'ils sont utilisés dans une conception à pointe plate, ils peuvent supporter l'usure sans compromettre son intégrité structurelle. Pour éliminer les dommages structurels tout en permettant des changements fréquents, vous pouvez utiliser ces vis dans un style ovale. Il est disponible en acier inoxydable, en acier au carbone et en acier allié pour supporter plus d'usure tout en le rendant plus résistant à la corrosion.
Démention :
Taille:
DIN913 : M2-M24 (TÊTE PLATE)
DIN916 : M2-M24 (TÊTE DE POINTE DE COUPE)
DIN915 : M2-M24 (TÊTE DE CHIEN)
DIN914 : M2-M24 (TÊTE CÔNE)